hodoscope.htm
Сцинтилляционный годоскоп H-1 установки ОКА.
Сцинтилляционный годоскоп H-1 предназначен для быстрого получения треков пролетающих частиц.
Конструкция и применение годоскопа.
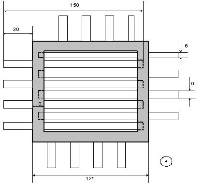
Годоскоп собран на основе алюмиевого каркаса в виде параллелепипеда размерами (внеш.) 125x125x90мм (внутр.) 115x115x90мм с отвертиями для установки сцинтилляционных элементов. Общая схема коммутации элементов годоскопа приведена на рис.1 .Центральную часть годоскопа составляют 2 плоскости X и Y из сцинциляционных элементов (палочек). Каждая палочка годоскопа перекрывается (кроме первой и последней) на 1/3 своей ширины. Ширина крайних пластин составляет 2/3 ширины центральных. Таким образом, из N пластин получается 2 N -1 независимый элемент шириной, равной 1/3 ширины пластины. Это позволяет в 3 раза улучшить пространственное разрешение годоскопа. Ширины палочек в X и Y плоскостях одинаковы. Ширина элемента в годоскопе H-1 равна 3мм. Рабочая область, таким образом, составляет 93*93мм2. Толщина каждой плоскости по пучку составляет 5мм (~2% рад. длины). В каждой проекции ( X или Y ) содержится по 16 сцинтилляторов, которые по 8 размещены в двух плоскостях, разнесенных примерно на диаметр корпуса ФЭУ, как показано на рис. 1. 8 ФЭУ через оптическую замазку приводятся в контакт с торцами сцинтилляторов с каждой стороны плоскостей. Когда заряженная частица проходит через сцинтилляционный элемент годоскопа («палочку»), она ионизует и возбуждает атомы. При снятии возбуждения испускается свет. Вспышки света регистрируются ФЭУ на узких выходных торцах сцинтилляционных элементов. Сигналы с выхода ФЭУ подаются на входы формирователей. С выходов этих формирователей сигнал подается в регистр. Оценка среднего световыхода годоскопа ~ 50ф.э.
Рис.1. Вид годоскопа со стороны пучка. 1 – корпус годоскопа; 2 – сцинтилляционные элементы (палочки) 3 - коммутационные коробки B и D (вид сверху); 4 – корпуса ФЭУ.
 
Рис.2.a) Алюминиевый каркас и сцинтилляционные элементы, б) вид на торцы ФЭУ (сплошными линиями указаны ФЭУ, находящиеся со стороны наблюдателя, пунктирными - с противоположной стороны).

 
Рис.3. Схема ФЭУ годоскопа.
 
Коробки B и D служат для коммутации сигналов ФЭУ с транспортными линиями из высокочастотных (ВЧ) кабелей и для разводки высоковольтного питания по делителям напряжения фотоумножителей. Сигналы от ФЭУ передаются через ВЧ разъемы типа ЛЕМО, а высокое напряжение коммутируется одноштырьковыми штеккерами. Через “красные” разъемы на ФЭУ подается высоковольтное напряжение, с “белых” разъемов осуществляются измерения подаваемых на ФЭУ напряжений с коэффициентом 0,01. Коробки крепятся к корпусу годоскопа с помощью стальных пластин, образующих треугольник.
Рис. 4. Внутреннее устройство коробки B.
 
Рис. 5. Схема измерения подаваемого на ФЭУ напряжения.
 
Таблица 1. Соответствие каналов годоскопа и магистральных кабелей
| канал № (x) | магистр. кабель | Канал № (y) | магистр. кабель | 
|---|---|---|---|
| 1 | 14-1 | 17 (1) | 17-1 | 
| 2 | 14-2 | 18 (2) | 17-2 | 
| 3 | 5-1 | 19 (3) | 8-1 | 
| 4 | 5-2 | 20 (4) | 8-2 | 
| 5 | 14-3 | 21 (5) | 17-3 | 
| 6 | 14-4 | 22 (6) | 17-4 | 
| 7 | 5-3 | 23 (7) | 8-3 | 
| 8 | 5-4 | 24 (8) | 8-4 | 
| 9 | 14-5 | 25 (9) | 17-5 | 
| 10 | 14-6 | 26 (10) | 17-6 | 
| 11 | 5-5 | 27 (11) | 8-5 | 
| 12 | 5-6 | 28 (12) | 8-6 | 
| 13 | 14-7 | 29 (13) | 17-7 | 
| 14 | 14-8 | 30 (14) | 17-8 | 
| 15 | 5-7 | 31 (15) | 8-7 | 
| 16 | 5-8 | 32 (16) | 8-8 | 
Таблица 2. Соответствие каналов годоскопа и ярлыков на фэу
| № фэу (x) | надпись на ярлыке | №фэу (y) | надпись на ярлыке | 
|---|---|---|---|
| 1 | 21 | 1 | 31 | 
| 2 | 22 | 2 | 32 | 
| 3 | 23 | 3 | 33 | 
| 4 | 24 | 4 | 34 | 
| 5 | 25 | 5 | 35 | 
| 6 | 26 | 6 | 36 | 
| 7 | 27 | 7 | 37 | 
| 8 | 28 | 8 | 38 | 
| 9 | 29 | 9 | 39 | 
| 10 | 20 | 10 | 30 | 
| 11 | 21 | 11 | 31 | 
| 12 | 22 | 12 | 32 | 
| 13 | 23 | 13 | 33 | 
| 14 | 24 | 14 | 34 | 
| 15 | 25 | 15 | 15 | 
| 16 | 26 | 16 | 16 | 
После настройки каналов годоскопа (при общем напряжении 1.5кВ на 100мВ сигнал от источника Bi-207) были измерены напряжение на каждом фэу(u2) и ограничивающее сопротивление для каждого канала. Для сравнения приведены вычисленные напряжения (u1)
Таблица 3.
| канал № | hv | огранич. сопр., ком | посч. напр. вольтметра(u1), В | изм. напр. вольтметра(u2), В | |u1-u2|/ u1+u2) | 
|---|---|---|---|---|---|
| 1 | 1.5 | 283 | 13.4 | 13.64 | 0.018 | 
| 2 | 363 | 13.08 | 13.16 | 0.006 | |
| 3 | 792 | 11.64 | 11.6 | 0.004 | |
| 4 | 477 | 12.66 | 12.42 | 0.019 | |
| 5 | 634 | 12.12 | 12.16 | 0.003 | |
| 6 | 574 | 12.32 | 12.87 | 0.044 | |
| 7 | 937 | 11.24 | 10.49 | 0.069 | |
| 8 | 933 | 11.25 | 11.21 | 0.004 | |
| 9 | 62 | 12.17 | 12.36 | 0.015 | |
| 10 | 637 | 12.12 | 12.34 | 0.018 | |
| 11 | 804 | 11.61 | 11.33 | 0.024 | |
| 12 | 326 | 13.23 | 13.09 | 0.01 | |
| 13 | 714 | 11.87 | 12.07 | 0.016 | |
| 14 | 487 | 12.62 | 12.72 | 0.008 | |
| 15 | 426 | 12.84 | 12.79 | 0.004 | |
| 16 | 212 | 13.7 | 13.86 | 0.011 | |
| 17 (1y) | 154 | 13.96 | 14.35 | 0.028 | |
| 18 (2y) | 914 | 11.3 | 11.5 | 0.017 | |
| 19 (3y) | 1230 | 10.52 | 10.46 | 0.006 | |
| 20 (4y) | 1578 | 9.81 | 10.12 | 0.031 | |
| 21 (5y) | 1053 | 10.94 | 10.88 | 0.006 | |
| 22 (6y) | 1180 | 10.64 | 10.62 | 0.002 | |
| 23 (7y) | 1556 | 9.85 | 10.35 | 0.049 | |
| 24 (8y) | 1507 | 9.95 | 9.88 | 0.007 | |
| 25 (9y) | 1530 | 9.90 | 9.62 | 0.029 | |
| 26 (10y) | 2050 | 9.02 | |||
| 27 (11y) | 1587 | 9.79 | 9.82 | 0.003 | |
| 28 (12y) | 1518 | 9.93 | 9.81 | 0.012 | |
| 29 (13y) | 923 | 11.28 | 11.13 | 0.013 | |
| 30 (14y) | 1370 | 10.22 | 10.16 | 0.006 | |
| 31 (15y) | 1766 | 9.48 | |||
| 32 (16y) | 890 | 11.37 | 11.82 | 0.039 | 
Годоскоп H-1 на пучке.

Годоскоп H-1.

Параметры годоскопа и его составных частей.
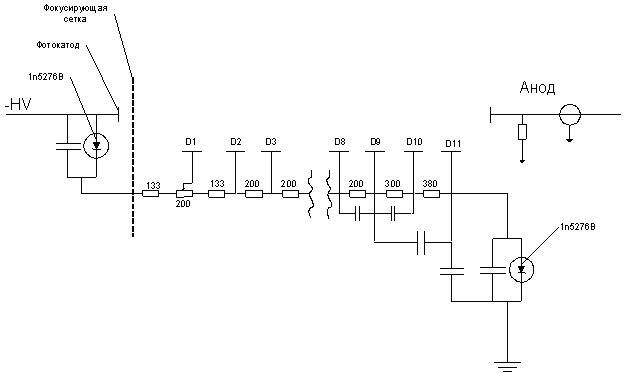
Стабилитроны фэу
Для того, чтобы поддерживать потенциалы катода относительно первого динода и анода относительно последнего динода постоянными в течение работы, были использованы конденсаторы больших емкостей и так называемые диоды Зенера (стабилитроны) 1n5276B. От других диодов стабилитроны отличает наличие на вольтамперной характеристике участка со слабой зависимостью напряжения от тока, так что уровень напряжения на них остается постоянным при изменении тока в широких пределах. Выбор стабилитронов 1n5276B определялся высоким уровнем номинального напряжения(140-150В), подходящими значениями минимальных и максимальных токов стабилизации(последние определяются максимальной рассеиваемой мощностью).
Схема делителя фэу.

Зависимость сигнала на одном из фэу от подаваемого напряжения (в логарифмическом масштабе с вычетом напряжения на стабилитронах фэу)

Было произведено измерение ослабления (затухания) сцинтилляционного света в палочках годоскопа с помощью β-радио-активного источника Bi-207. Измерения проводились на цифровом осциллографе Digital phosphor oscilloscope: TEKTRONIX TDS 3032, 300MHz. Были определены параметры короткой экспоненты. Ее природа заключается в быстром "вымирании" коротковолновой составляющей сцинтилляций в используемом пластике(материале палочек годоскопа).Отношение длин затухания составляет 13.34.
Зависимость сигнала от расстояния до источника а) на TEKTRONIX TDS 3032 б) на IBM PC

Первоначально испытание годоскопа происходило на стенде на космических частицах.
| 1. Триггер. | 
| Характеристики счетчиков | Размеры, мм | толщ.,мм | Аmip, мВ | Порог, мВ | t имр, нс | S, кв. мм | Геом эффективность перкрытия S1 и эл годоскопа | 
|---|---|---|---|---|---|---|---|
| Определяющий S1 | диаметр 125 | 15 | 200 | 50 | 40 | 12266 | 0,83+-0.03 | 
| Совпадательный S2 | 200х200 | 20 | 200 | 50 | 40 | 
| 2. Н-1 | 
Предварительно усиление в каждом канале выровнено на HV=1300 В. Сигналы от бетта частиц (Bi207) ~< 100 мВ> ( для ожидаемого порога регистра ~20 мВ). Х проекция - 16 палок.Эффективная площадь перекрытия годоскопа с определяющим счетчиком составляет ~ 93х115 мм2. (за исключением углов 15х15х45град).
| 3. HV | 
В процессе измерений для увеличения эффективности Н-1 пришлось использовать HV=1600 В.
| 4. Система сбора данных | 
4.1 Считываемая информация записывалась в файлы для последующей обработки. В линию проводилась фильтрация информации и определялась эффективность Х-плоскости как целого (рис.1) . В off-line получены зависимости эффективности для каждого канала Н-1.
4.2 Параллельно с набором информации осуществлялся on-line контроль путем измерения эффективности с помощью пересчетки, на которой велся счет числа стробов и числа их совпадений с сигналами ИЛИ ЛЭ-76. Их отношение и определяло искомую эффективность. При этом ширина кривой задержанных совпадений определяется сверткой длительности строба и среднего значения длительност иимпульсов ИЛИ (см. п. 5.1 и рис.2), а сама она и меет симметричную форму и более широкое чем в п.5.1 плато.
| 5. Особенности работы ЛЭ 76. | 
5.1 Входные сигналы через 16 линий задержек, переходку ЛЕМО-миниразъем поступают на компараторы с порогом ~20 мВ. Т.о.они преобразуются в NIM-импульсы с длительностью, которая определяется амплитудой входного сигнала (рис. 2). При этом ширина кривой задержанных совпадений определяется средним значением длительности импульсов ИЛИ. Форма ее становится ассимметричной с "хвостом" в сторону малых задержек и более крутым задним фронтом , который получается из-за короткого переднего фронта входного аналогового сигнала. При малом усилении в каналах годоскопа ("узкая" кривая совпадений) и большом джиттере заднего фронта строб-импульса (из-за особенностей совпадений сигналов от S1 и S2) трудно достичь высокой эффективности годоскопа.
5.2 Входные сигналы можно наблюдать (или регистрировать, см. п.4.2) по выходу ИЛИ, но , как оказалось, с задержкой 6-7 нс, что надо учитывать при согласовании во времени строба и сигнала.
5.3 Стробирование сигнала осуществляется по заднему фронту строб-импульса (NIM). Для устранения его джиттера необходимо после схемы совпадений, выполненной на базе логического суммирования сформированных входных сигналов S1 и S2, использовать формирователь. В рассматриваемом случае это позволило повысить эффективность на ~10%.
5.4 Регистр работал без функции кодирования считываемой информации, необходимой при работе с внешним процессором.
| Результаты испытаний сведены в Таблицу и показаны на рисунках. | 
| tзадержки, нс | Эфф. по ПП | Эффективнность по ПК | 
|---|---|---|
| 58 | 0,18 | |
| 62 | 0,49 | 0,34 | 
| 66 | 0,54 | 0,42 | 
| 70 | 0,53 | 0,52 | 
| 72 | 0,51 | 0,48 | 
| 74 | 0,48 | 0,48 | 
| 78 | 0,24 | |
| 80 | 0,003 | 


Свои замечания и пожелания просим присылать по адресу электронной почты: 123@456
                    hodoscopes2006dec.doc
                

